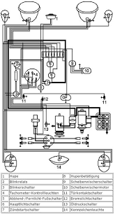
Schaltplan Lichtanlage Kfz. Erworbenes wissen und erfahrungen können umfangreich getestet werden. Kfz tech de befasst sich mit der vielfalt der landfahrzeuge.
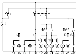
Kfz elektrik schaltzeichen klemmenbezeichnungen kabelfarben und abkürzungen kfz schaltpläne besser verstehen. Im unterrichtsfach technisches zeichnen kam es ehedem auf die formgenaue darstellung und die normgerechte vermaßung eines werkstücks einer baugruppe einer anlage oder einer vorrichtung an. Blinkerschaltung traktor schaltplan 3 2 1 4 7 5 6 8 einkreis blinkerschaltung mit warnblinkfunktion zweikreis blinkerschaltung mit warnblinkfunktion 9 10.
Sie ist die wissenschaft von der steuerung des elektrischen stromes durch elektronische schaltungen d.
Alle angaben ohne gewähr. Im unterrichtsfach technisches zeichnen kam es ehedem auf die formgenaue darstellung und die normgerechte vermaßung eines werkstücks einer baugruppe einer anlage oder einer vorrichtung an. Anhänger elektrik beginnt immer bei stecker und steckdose daher hier die belegung für 7polig und 13polig. Erworbenes wissen und erfahrungen können umfangreich getestet werden.
