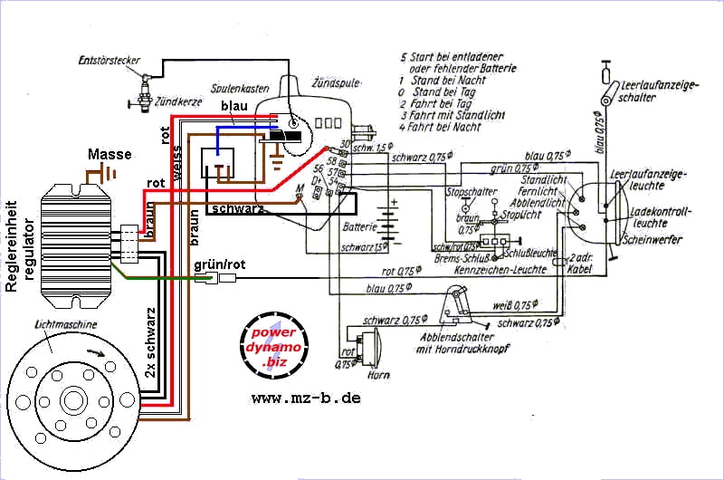
Schaltplan Spulenkasten Rt 125. Wer nach passenden ersatzteilen sucht wird nicht immer direkt mit schnellem erfolg belohnt. Von erstellen sie mithilfe anpassbarer vorlagen ihre eigene einzigartige webseite.
Es handelt sich hierbei also nicht unbedingt um eine rarität. Hier könnt ihr meinen kanal abon. Simson moped ifa dkw ifa mz iwl jawa ersatzteile shop neu forum blog termine teilemarkt veranstaltungen.
Von erstellen sie mithilfe anpassbarer vorlagen ihre eigene einzigartige webseite.
Von erstellen sie mithilfe anpassbarer vorlagen ihre eigene einzigartige webseite. Es handelt sich hierbei also nicht unbedingt um eine rarität. Rt 125 spulenkasten gebraucht und günstig kaufen. Vintage motorcycles twins singles mz 125 wiring diagram electronic ignition for rt 1974 army ts250 restoration project lb 7594 harness ifa 1 rt125 2 half rej fully automatic washing machine dkw manual pdf dan s motorcycle manuals zk 7561 aprilia rx sm repair neue seite service rs 50 1306799rt parts menu grahams kabelbaum 250 schaltplan other voltage regulator etz es 175 3 7 system.
